Корзина пуста
Педаль газа металлическая акселератора датчика Холла дроссельной заслонки Kelly 0-5V
Описание
Педаль газа металлическая акселератора датчика Холла дроссельной заслонки Kelly 0-5V
Из металла выполнен корпус и сам рычаг педали.
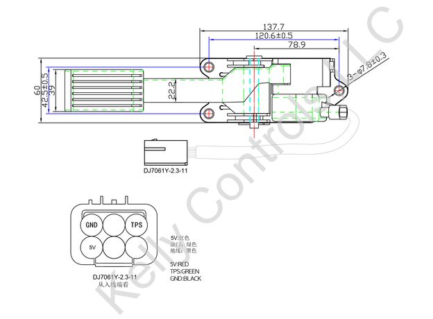
Red: +5V
Black: GND
Brown: Signal
Yellow and Blue: Switch
Красный: +5V
Черный: GND
Коричневый: Сигнал
Желтый и Синий: Переключатель
Отзывы
Сообщения не найдены
