Комплект для электротранспорта QSMOTOR QS180 90H 8000W 72V, контроллер ND72850 850A
Описание
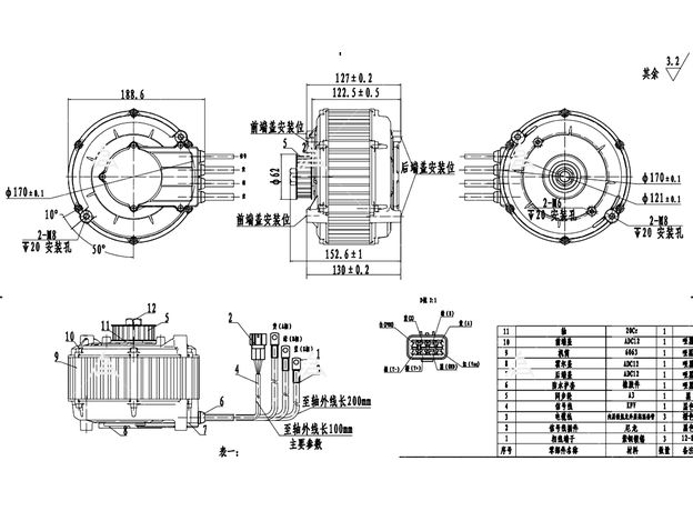
Электродвигатель QS165 V2 BLDC 72V 35H 5000W 50NM с звездочкой под цепь 428, 14T (зубцов) + контроллер FarDriver ND72850 72V 850A, дисплей DKD-061, ручки газа HD8.
Это надёжное и мощное решение для множества проектов: электромотоциклов, электробагги, электроповозок, электролодок и лебедок.
Двигатель бесщеточный, вентильный, с высоким КПД до 91%, не требует обслуживания и рассчитан на длительное использование. Он оснащён сильным магнитом 35H, относится к типу 3-фазных синхронных двигателей с постоянными магнитами и работает от 24В до 72В.
Контроллеры Kelly и FarDriver идеально сочетаются с данным двигателем. В состав комплекта входит контроллер ND72850 с током до 850А, дисплей и ручки газа — всё, что нужно для быстрой интеграции в ваш EV-проект.
Характеристики двигателя QS165 V2:
-
Бренд двигателя: QS Motor, QSMOTOR
-
Тип двигателя: бесщеточный BLDC двигатель постоянного тока
-
Конструкция: средний привод, одноосный
-
Вал двигателя: звезда под цепь 428, 14 зубьев
-
Магнит: сильный магнит V-образный 35H
-
Мощность: 5000 Вт (пик до 9000 Вт)
-
Номинальное напряжение: 72В
-
Макс. скорость вращения: до 7000 об/мин
-
Максимальная скорость транспортного средства: до 100 км/ч
-
Макс. крутящий момент: до 49,5 Нм
-
Макс. эффективность: 91>#/p###
-
Датчик положения: энкодер
-
Датчик температуры: KTY83/122
-
Класс влагозащиты: IP67
-
Вес двигателя: 10,5 кг
-
Цвет: чёрный
Комплект поставки:
-
Двигатель QS165 V2 5000W 72V — 1 шт.
-
Контроллер FarDriver ND72850 850A 72V — 1 шт.
-
Bluetooth-адаптер FarDriver — 1 шт.
-
Дисплей DKD-061 — 1 шт.
-
Ручки газа HD8 — 1 комплект
Прикрепленные файлы
Отзывы
Сообщения не найдены
