Электродвигатель BLDC QS165 V2 72V 35H 5000W 50NM звезда под 428 цепь, 14T (зубцов)
Описание
Электродвигатель BLDC QS165 V2 72V 35H 5000W 50NM звезда под 428 цепь, 14T (зубцов)
данные двигатель отлично подойдет под разные проекты (электромотоцикл, электроповозка, электролодка, лебедка).
Электродвигатель (электромотор, мотор, двигатель, бесколлекторный, вентильный, BLDC QS165 V2 5000W 72V Электродвигатель надежный и создан для долгого и надменного использования. Не требует ухода за щеткой из-за ее отсутствия, так как это бесколлекторный бесщеточный двигатель. Двигатель имеет высокий КПД 90% при напряжении от 24В до 72В. Это 3-фазный синхронный двигатель с постоянными магнитами.
Контроллеры Kelly идеально подходят к этому мотору.
Мотор: QS Motor QS165 5000W 35H Mid Drive Motor V2
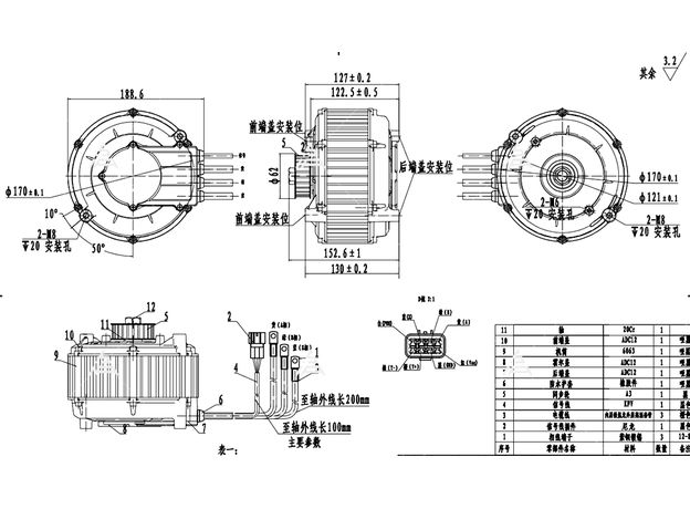
Детали двигателя:
Тип двигателя: Бесщеточный двигатель постоянного тока с постоянными магнитами
Конструкция двигателя: Средний привод с одиночной осью
Магнит: Сильный V-образный магнит 35H
Мощность: 5000 Вт (максимальная — 9 кВт)
Номинальное напряжение: 72 В
Скорость вращения: Максимум 7000 об/мин
Датчик положения: Энкодер
Максимальная скорость: От 80 км/ч до 100 км/ч
Максимальный крутящий момент: 49,5 Н·м
Ограничение по максимальному току: 180 А
Пиковый фазный ток: 500 А
Количество пар магнитных полюсов: 5
Максимальная эффективность: 91%
Датчик температуры: KTY83/122
Класс водонепроницаемости: IP67
Вес: 10,5кг
Цвет: Черный
Отзывы
Сообщения не найдены
