Электродвигатель BLDC QS138-A 72V 90H V3 4000W 80NM под 428 цепь, 15T (зубцов)
Описание
Электродвигатель BLDC QS138 72V 90H V3 4000W 80NM под 428 цепь, 15T (зубцов),
данные двигатель отлично подойдет под разные проекты (электромотоцикл, электроповозка, электролодка, лебедка).
Электродвигатель (электромотор, мотор, двигатель, бесколлекторный, вентильный, BLDC) QS138-A Электродвигатель надежный и создан для долгого и надменного использования. Не требует ухода за щеткой из-за ее отсутствия, так как это бесколлекторный бесщеточный двигатель. Двигатель имеет высокий КПД 90% при напряжении от 24В до 72В. Это 3-фазный синхронный двигатель с постоянными магнитами.
Контроллеры Kelly идеально подходят к этому мотору.
Бесколлекторный электродвигатель QSMOTOR QS138 90H 4000W V3 72V, 80NM, звезда 15 зубов, 428 шаг. Для квадроцикла, трицикла, багги, автомобиля. Не требует обслуживания, так как нет коллектора и щеток.
Максимальный КПД: 93%
Тип управления: датчики Холла
Номинальная мощность: 4 кВт
Вращающий момент: 80 Нм (зависит от фазного тока)
Количество оборотов в минуту при 72V: 7000
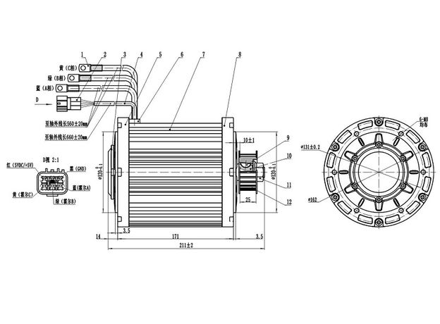
Диаметр статора: 138мм.
Толщина статора и магнитов: 90мм.
Количество полюсов: 5.
Толщина фазных проводов: 16 мм²
Защита от воды: IP67
Защита от перегрева: установлен температурный датчик KTY83/122
Вес: 12,8 кг
Отзывы
Сообщения не найдены
